This page needs JavaScript activated to work. Schneeschild mit Aufnahme für Teleskoplader Merlo- 260 cm
KOSTENLOSER VERSAND IN GANZ DEUTSCHLAND

Wir liefern KOSTENLOS! Besuche und Abholungen vor Ort sind nach Vereinbarung unter Tel. 0176 43485982 möglich. Voraussichtliche Lieferzeit 15 - 20 Tagen ab Bestellung - Bedingt durch den Feiertagen könnte dies ggf. einige Tagen länger sein. Versand erfolgt mit DB Schenker oder Paketdienst. Sie bekommen vor Versand eine telef. Benachrichtigung von uns. Jede Sendung wird vom Spediteur telef. avisiert.

Chuck Norris bietet Ihnen 5%RABATTauf das zweite Produkt SIEHE DETAILS

Loading...

Schneeschild mit Aufnahme für Teleskoplader Merlo- 260 cm

4.6

1354 Bewertungen

Nicht verfügbar Benachrichtigen Sie mich
Artikelnummer SSH0426ME
EAN 8053470231797
Siehe alle Details.
GESAMT 4.223,00inkl. MwSt
Kostenlose Lieferung!

DETAILS

Schneepflug, Schiebeschild, Schneeschieber mit Aufnahme für Teleskoplader/Radlader Merlo


ÜBERBLICK

Das Schneeschild SSH-04-2.6-MERLO  ist mit 4 Schlagschutzfedern ausgestattet, welche eine optimale Führung des Schildes gewähren und die Rückkehr in die Ausgangs- bzw. Arbeitsposition sicherstellen. Das Schneeschild ist Dank seiner zwei Hydraulikzylinder rechts und links schwenkbar. Die Räumleiste besteht aus 2 oszillierenden Teilen. 


VORTEILE UND MERKMALE

Aufnahme für Teleskoplader Merlo

2 Hydraulikzylinder für Rechts - / Linksdrehung

6 Schlagschutzfedern

Dreiteilige Räumleiste in Stahl oder Gummi.

Stahl HARDOX - oder Gummischürfleiste

Hydraulikschläuche mit 1/2" Schnellkupplung

Stützfüsse

Stützräder

CE - Zertifizierung

 

MERKMALE

Merkmale Metrische Einheit
Gewicht 470.0 kg
Gesamthöhe 880.0 mm
Gesamttiefe 900.0 mm
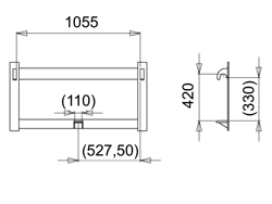
Aufnahme Maße Siehe Bild
Öldruck 110 - 150 bar
Optimale Öldurchflussmenge 18 - 22 l/min
Anbau MERLO
Seitenverstellung links/rechts 25°
Schwimmstellung +/- 4°
Räumschild Höhe 880.0 mm
Materialstärke Seitenteile 7.0 mm
Schlagschutzfedern 6
Schneide Stahl oder Kunststoff
Schneide Höhe 200.0mm / 180.0mm
Schneide Materialstärke 20.0mm / 55.0mm
Anzahl der Leisten 3
Distanz zw. Befestigungsschrauben 175.0 mm
Beleuchtung
Abnehmbare Gleitkufen Räder
Arbeitsbreite 2400.0 mm
Ps. Kategorie Traktor MERLO
Hydraulikschläuche 2x 1,6m mit 1/2" Schnellwechselkupplung, WP-400 bar
Gesamtbreite 2600.0 mm
Materialstärke Schild 4.0 mm
Hydraulikzylinder Durchmesser 73.0/36.0 mm
Packmaße 2600*1000*1000 mm

Datenblatt

DETAILS
MERKMALE
Datenblatt

DETAILS

SCHLIESSEN

Schneepflug, Schiebeschild, Schneeschieber mit Aufnahme für Teleskoplader/Radlader Merlo


ÜBERBLICK

Das Schneeschild SSH-04-2.6-MERLO  ist mit 4 Schlagschutzfedern ausgestattet, welche eine optimale Führung des Schildes gewähren und die Rückkehr in die Ausgangs- bzw. Arbeitsposition sicherstellen. Das Schneeschild ist Dank seiner zwei Hydraulikzylinder rechts und links schwenkbar. Die Räumleiste besteht aus 2 oszillierenden Teilen. 


VORTEILE UND MERKMALE

Aufnahme für Teleskoplader Merlo

2 Hydraulikzylinder für Rechts - / Linksdrehung

6 Schlagschutzfedern

Dreiteilige Räumleiste in Stahl oder Gummi.

Stahl HARDOX - oder Gummischürfleiste

Hydraulikschläuche mit 1/2" Schnellkupplung

Stützfüsse

Stützräder

CE - Zertifizierung

 

MERKMALE

SCHLIESSEN
Merkmale Metrische Einheit
Gewicht 470.0 kg
Gesamthöhe 880.0 mm
Gesamttiefe 900.0 mm
Aufnahme Maße Siehe Bild
Öldruck 110 - 150 bar
Optimale Öldurchflussmenge 18 - 22 l/min
Anbau MERLO
Seitenverstellung links/rechts 25°
Schwimmstellung +/- 4°
Räumschild Höhe 880.0 mm
Materialstärke Seitenteile 7.0 mm
Schlagschutzfedern 6
Schneide Stahl oder Kunststoff
Schneide Höhe 200.0mm / 180.0mm
Schneide Materialstärke 20.0mm / 55.0mm
Anzahl der Leisten 3
Distanz zw. Befestigungsschrauben 175.0 mm
Beleuchtung
Abnehmbare Gleitkufen Räder
Arbeitsbreite 2400.0 mm
Ps. Kategorie Traktor MERLO
Hydraulikschläuche 2x 1,6m mit 1/2" Schnellwechselkupplung, WP-400 bar
Gesamtbreite 2600.0 mm
Materialstärke Schild 4.0 mm
Hydraulikzylinder Durchmesser 73.0/36.0 mm
Packmaße 2600*1000*1000 mm

Datenblatt

SCHLIESSEN

Zubehör

2 Ersatzfedern für unsere Schneeschilder SSH-04/LNV-315
Optionaler Sonderpreis. -20,70 207,00inkl. MwSt 186,30inkl. MwSt
Verfügbar

SSH-04/LNV-315

Ersatz - Begrenzungsleuchten SSH
Optionaler Sonderpreis. -11,90 119,00inkl. MwSt 107,10inkl. MwSt
Verfügbar

SSH/LNV-315

Ersatz-Gummiräumleiste für SSH-04-2.6
Optionaler Sonderpreis. -39,50 395,00inkl. MwSt 355,50inkl. MwSt
Verfügbar

SSH-04-2.6

Ersatz-Stahlräumleiste für SSH-04 2.6
Optionaler Sonderpreis. -48,50 485,00inkl. MwSt 436,50inkl. MwSt
Verfügbar

SSH-04 2.6 HARDOX

Ersatzrad für SSH/LNV-315
Optionaler Sonderpreis. -16,10 161,00inkl. MwSt 144,90inkl. MwSt
Verfügbar

SSH/LNV-315

Stützschaft für Laufrad SSH/LNV-315
Optionaler Sonderpreis. -5,70 57,00inkl. MwSt 51,30inkl. MwSt
Verfügbar

SSH/LNV-315

2 Ersatzfedern für unsere Schneeschilder SSH-04/LNV-315
Optionaler Sonderpreis. -20,70 207,00inkl. MwSt 186,30inkl. MwSt
Verfügbar

SSH-04/LNV-315

Ersatz - Begrenzungsleuchten SSH
Optionaler Sonderpreis. -11,90 119,00inkl. MwSt 107,10inkl. MwSt
Verfügbar

SSH/LNV-315

Ersatz-Gummiräumleiste für SSH-04-2.6
Optionaler Sonderpreis. -39,50 395,00inkl. MwSt 355,50inkl. MwSt
Verfügbar

SSH-04-2.6

Ersatz-Stahlräumleiste für SSH-04 2.6
Optionaler Sonderpreis. -48,50 485,00inkl. MwSt 436,50inkl. MwSt
Verfügbar

SSH-04 2.6 HARDOX

Ersatzrad für SSH/LNV-315
Optionaler Sonderpreis. -16,10 161,00inkl. MwSt 144,90inkl. MwSt
Verfügbar

SSH/LNV-315

Stützschaft für Laufrad SSH/LNV-315
Optionaler Sonderpreis. -5,70 57,00inkl. MwSt 51,30inkl. MwSt
Verfügbar

SSH/LNV-315

Bewertungen

Was unsere Kunden über uns sagen